1
/
of
3
Peterson Survey Monuments
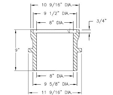
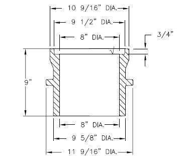
Survey Monument Case "KC DOT MON" assembly
Survey Monument Case "KC DOT MON" assembly
Cast iron survey monument case and cover for King County.
Case Dimensions: 10 9/16" Diameter x 9" Height with 11 9/16" flange in the middle. See Photos for all dimensions.
Regular price
$166.55
Regular price
Sale price
$166.55
Unit price
/
per
Couldn't load pickup availability
Share


