1
/
of
3
Peterson Survey Monuments
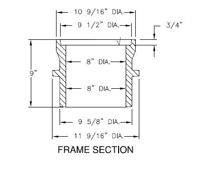
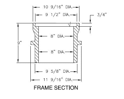
Survey Monument Case "Mon" assembly
Survey Monument Case "Mon" assembly
Cast iron survey monument case and cover for WSDOT, King County, and many other jurisdictions.
Case Dimensions: 10 9/16" Diameter x 9" Height with 11 9/16" flange in the middle. See Photos for all dimensions.
Regular price
$166.25
Regular price
Sale price
$166.25
Unit price
/
per
Couldn't load pickup availability
Share


